Richard Brice

Living with the Quad 33 pre-amplifier and the Quad 303 power amplifier

The Quad 303 represents a high point in the early epoch of transistor amplifier design. True, it is a single rail design, and therefore relies on an output coupling capacitor; a component that compromises LF performance to some degree. Nevertheless, the design has stood the test of time and still gives an excellent performance; even by today's standards. The Quad 33 pre-amplifier does not enjoy a continued respect and loyal support that its stable-mate the Quad 303 power amplifier enjoys. Firstly, the pre-power combination has far too high a gain for modern digital signal sources and this tends to make the Quad 33 a noisy partner to its relatively silent power-amplifier companion. Furthermore the tone-controls on the Quad 33 (with the exception of the very fine variable-slope LC low-pass filters) are unfashionable and involve some design compromise being based on a high-gain transistor pair amplifier. Having recently bought a Quad 33 and 303 pair, I looked at ways of improving the 33 so that I could continue to use it as the partner to the Quad 303, without having to accept any compromise in performance. The results have wrought an enormous improvement and are given below. I believe therefore, that my experiences may be of interest to any other fans and users of this classic Quad equipment.

The Design

The complete 33 pre-amp' circuit diagram

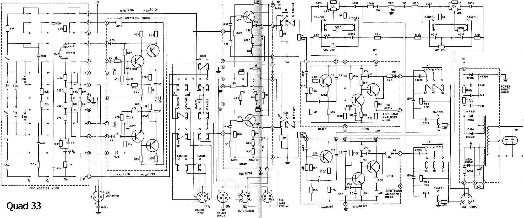
Like most pre-amplifiers, a good deal of the design of the Quad 33 relates to source, record and monitoring switching. This is performed by high-quality push-switches and these high-quality components remained a good reason to retain the original control unit, as well as the high-quality volume-control potentiometer. The Quad 303 power-amplifier has an input sensitivity of 500mV RMS for full output. This is more than adequate sensitivity for CD replay; where the maximum output is typically 2V RMS. There is therefore no requirement for there to be any line-gain from the Quad 33 in a modern hi-fi system. Inspection of the circuit revealed that the best input to utilise for CD would be one or other of the “radio” inputs, the "disc" being for LP and comprising a RIAA pre-amplifier (PCB M12019). Another option would be the tape input, because this includes a series of attenuators prior to an emitter-follower buffer as part of the M12027 PCB assembly. However, I decided against this preferring to fundamentally reduce the gain of the unit, rather than to attenuate only subsequently to amplify! All the line-gain in the Quad 33 is achieved in the two transistor stage amplifier formed by Tr401 and Tr402 included on the M12017 amplifier module (there are two, one per channel). This amplifier stage is illustrated below.

The M12017 amplifier "block" forms the operational amplifier in a typical unity-gain, Baxandall tone-control stage; except for the fact that the final output is derived from the top of R411 and the feedback point for the tone-control network, from the bottom. The feedback is therefore derived as a fraction (1/5th) of the output signal passed to the filter circuits and thence to the output. With the best will in the world, this stage is something of a compromise and, given that the gain that this stage gives is unnecessary and that I didn't want to retain the tone-controls anyway, this seemed the best area for fruitful modification.

In the end, I decided on a very simple modification which is illustrated below. As you can see, the two-transistor stage is simply transformed into a straightforward emitter-follower; the connections to the tone-controls and any interfering circuitry being broken. The details of the modification to BOTH of the amplifier M12017 amplifier modules are as follows: Remove C402, remove R409 and remove TR401. Connect the "upstream" end of the removed C402 to the base of TR402 with 100R resistor.

,

Here is a photograph of a modified board.

A recent further modification is the removal of C406. This doesn't serve any useful purpose and is a potential source of noise if the dielectric starts to break down.

Performance

These figures are measured open-circuit. In retrospect, I ought to have added a dummy load to simulate the 303 input Z. However, this is high (20k), so these readings are reasonably valid and, at least, indicate how the performance of the 33 is utterly transformed by this modification.

  • Max output (just prior to clipping) : 5V pk-pk (one channel slightly lower, 4.7V). Thereby offering 11dB headroom over the maximum signal required by the 303 which only requires 1.4V pk-pk for maximum output.

  • Distortion: <0.1% at 1kHz at 1.4V pk-pk output level

  • Frequency response (at 1.4V pk-pk) : < 0.1 dB variation 20Hz to 100kHz; -2.5dB at 200kHz!

Modifications to Quad 33 "disc input" to provide a further line-level input

The Quad 33's LP disc input amplifier and RIAA correction is not its strongest point so that, for years I have used one of the radio inputs as the input from an external RIAA disc preamplifier to replay gramophone records. I suspect many others do something similar, or have abandoned vinyl all together, leaving the disc input unused. But, such is the pressure on signal inputs in a modern domestic hi-fi from multiple sources, that, in my own case, once both radio inputs had been purloined for LP replay and CD and the tape input for an iPod, I really needed to revisit the disc input and see if it could be modified simply to provide for a further line-level input. It can, and the modifications to the circuitry are given in this PDF file.

The modifications are very simple and only take half-an-hour. Essentially, the disc preamplifier board (M12019) is modified to become a virtual-earth amplifier and the gain set by the addition of a series input resistor in the disc adapter board (M12021) accessed from the rear of the unit. This latter board must then be re-fitted so that it is installed in the positon referred to as "spare". The physical modifications to the disc preamplifier board simply involve the removal of four capacitors per channel (3 electrolytic and one ceramic).

From a sound quality point of view, the stage sounds excellent. Sensitivity is ideal for a source like a CD player (2V RMS for 0dBFS), so that the volume control is about 1/2 way at normal listening levels.


The Quad 303 power amplifier

Referring to the circuit, the input and voltage amplification stages of the complete amplifier circuit are formed by Tr100, Tr101 and Tr102. The base of Tr100 is a virtual earth point, the feedback voltage being derived (in AC terms) by the potential divider formed by R113 and R111. The feedback resistor is R108 and the input resistor R101. The output is attenuated by (2.2/84.2) times, and the input and feedback resistors are of equal value. This suggests a closed-loop voltage amplification of approximately 35 times (or 30dB) which is confirmed by measurement; 500mV RMS input providing roughly full output.

The Quad 303 output stage is formed by complementary transistor triples which are a unique feature of this amplifier. These "triples" are a form of feedback amplifier within the amplifier as a whole. Looking first at the upper triple formed by the low-power types Tr103, Tr105 and the power device 2N3055 (Tr1). This mini, feedback amplifier can be considered as a "super emitter-follower" in which - because it has very high loop-gain and a very high degree of negative feedback - it has a very high input-impedance, a low output-impedance, and a gain of very nearly 1. And it possesses these admirable attributes almost independently of the characteristics and conditions of the any of the individual devices contained within the feedback loop.

This last characteristic is particularly beneficial because it ameliorates a problem which otherwise plagues transistor power-amplifiers, that of variation of bias current due to audio programme. This occurs because, although the correct bias voltage is set by deriving a temperature-compensated voltage across the bases of the output transistor pair, local, transient heating of the output devices during programme peaks can be very significant and this causes changes the transconductance of the device. The temperature compensation mechanism of the usual diodes or "amplified-diode" transistor (like Tr107 in the Quad design) even if this is bonded to the output-stage heatsinks, has too much thermal inertia to compensate for these transient changes. At worst this can leave the amplifier vulnerable to secondary breakdown when used at high power levels. At best it means the distortion performance of the amplifier changes according to programme.

One great advantage of the compound emitter-follower approach employed in the Quad 303 amplifier is that the voltage across the emitter resistors (and hence the standing current in the output stage) is derived from the voltage across R124 and the base voltage of Tr103 (once again, taking the upper triple as an example). Because transistor Tr103 is operating at low power, its base-emitter junction temperature is not affected by the programme signal, thereby ensuing freedom from bias variation and secondary breakdown. Thus the compound emitter follower triple can be seen as a high power, emitter-follower with a thermally-isolated base-emitter junction.

The role of diodes MR105 and MR106 is worth commenting on too. These act as very elegant form of output stage protection. If, in either half of the class-B circuit, the current through the 0.3 ohm resistor attempts to exceed the safe, upper limit, the voltage across the resistor will be enough to start the diode to conduct and thereby reduce the drive to the corresponding transistor.

Power Supply Regulator

Another feature of the Quad 303 circuit is the voltage stabilisation stage. Various designers have different opinions on the necessity of voltage regulation in a class-B amplifier. On the positive side, voltage stabilisation will ensure hum-free operation under all conditions, on the negative side, stabilisation will always limit current demands and therefore limit an amplifier's ability to deliver transient, peak signals. The Quad designers clearly "sat in the first camp", the 67V single, rail being derived from the reservoir capacitors C2 and C3 via the voltage regulator formed by Tr 200, 201 and Tr3. The regulation stage is common to both channels.

Innovatively, Quad chose to regulate, not the positive rail but the "earthy" end of the reservoir capacitors. This has the benefit of reducing the collector voltage of Tr3, thereby ensuring that the whole circuit is less "fraught" than if the series regulator transistor was in the HT rail. The regulator action is achieved by deriving a control voltage on the base of Tr201 (which is the first transistor in the Darlington-pair formed by Tr201 and Tr3), from the comparator stage formed by Tr200 which has a reference voltage (with respect to earth) at its base and a voltage derived from the unregulated positive supply at its base. As the positive, 67V power-rail rises with respect to earth (the anode end of MR201), Tr200 starts to turn-off, raising the voltage on R205 which is "followed" by Tr201 and Tr3 which rises the voltage on the "earthy" end of the reservoir capacitors, thereby reducing the voltage difference between the two rails and effectively reducing the positive rail voltage with respect to earth.

Rebuilding the Quad 303

Recently I decided to rebuild my Quad 303. To do this I ordered two new amplifier M12038 driver-boards directly from Quad. They are available from: IAG Service department, Unit 4, St Margaret's Way, Stukeley Meadows Industrial Estate, Huntingdon, Cambridgeshire, PE29 6EB. Tel number: + 44 (0)1480 452561. Quad still supply these on reasonable turn-around times although they are not cheap at £69 each, plus VAT and postage. Nevertheless the quality is excellent.

I decided to go for swapping the boards because so many components needed changing: all the cap's, the pots, the high-value and high-power resistors and the transistors. New boards seemed a simpler option! This photos shows the state of the previous boards once the unit was dismantled.

De-soldering the harnesses wasn't difficult. Once the new modules were fitted, the regulator volts needed to be re-tweaked to 67V and the bias current needed setting to ≈ 10mA by measuring 3mV across one of the emitter resistors in the output stage. The next picture shows the new modules fitted.

Once the new units were fitted I did a complete performance run and the amplifier matched its handbook specification admirably.


Links

Back to home page

Address all mail to me.


© Richard Brice 2004. © Richard Brice 2014 - 2026. All rights reserved. Newnes, CYP other information by permission